专业防水堵漏施工

具有防水防腐保温一级施工资质,承接建筑防水、堵漏、修缮、加固、防腐等业务

技术百科
防水公司干货:井漏失返条件下水泥浆堵漏工艺参数计算
发布时间:2025-01-22 来源:涌达建工 浏览:232次
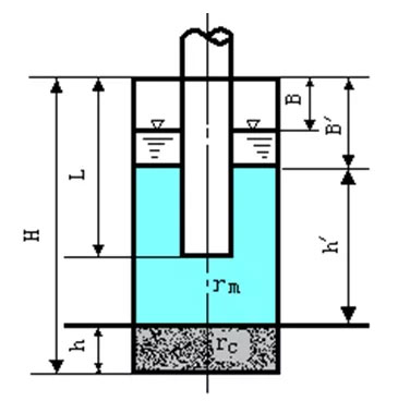
一、初始钻柱下入深度L’计算
1、当rc>rm时初始钻柱下入深度的计算
堵漏公司施工前,由测得的静液面井深和钻井液密度计算漏层压力:
堵漏公司 
Pf=9.8rm(H-B)   (1)  
堵漏公司施工后: 
Pf=9.8rc·h+9.8rm·h’    (2)
式中:Pf——漏层空隙压力,kpa; 
rm——钻井液密度,g/cm3;
rc——水泥浆密度,g/cm3;
H——漏层井深,m;
B——静液面井深,m;
h——设计水泥塞高度,m;
h’——堵漏施工后井内钻井液柱长度,m。
由(1)、(2)两式可以求得:
h’ =(H-B)- rc/ rm ·h       (3)
要使水泥浆成塞并满足设计要求的高度,施工后井内钻井液柱长度必须满足式(3)。
因此,初始钻柱下入深度应为:L’=B+ h’ =H- rc/ rm ·h(4)
由式(4)知,堵漏钻柱下入深度与井内钻井液密度、水泥浆密度和设计水泥塞高度有关,当井内钻井液与水泥浆密度差越大,钻柱下入深度越小;设计堵漏施工后井内静液面井深为:
B’=B+( rc/ rm -1)h     (5)
因rc> rm,所以施工后静液面井深将增加。
2、当rc=rm时初始钻柱下入深度的计算
由压力平衡关系显然有:
L’=H-h      (6)
即钻柱下深为水泥塞面井深。此时,施工前后井内静液面保持不变,即:
B’=B
h’=H-B-h       (7)
3、当rc
同理,利用压力平衡原理可求得堵漏施工后井内钻井液柱长度h’为:
h’=(H-B)-  rc/rm ·h       (8)
初始钻柱下入深度:
L’=H-  rc/ rm ·h       (9)
静液面井深:
B’=B+( rc/rm -1)h            (10)
因为rc
由(4)(6)(9)三式可以看出,在各种情况下初始钻柱下入深度的表达形式完全相同,可综合为一个表达式。即:
L’=H-rc/rm ·h              (11)
施工后静液面井深:
B’=B+|rc/ rm -1|h             (12)
施工后井内钻井液柱长度:
h’=(H-B)-rc/ rm ·h             (13)
为了使除设计水泥塞外的全部水泥浆进入漏层,必须保证施工后井内钻进液柱长度满足式(13),可通过确定钻柱下入深度来实现这一目的。当井内钻井液长度满足式(13)时,除设计水泥塞外的全部水泥浆将进入漏层,从而达到有效封堵漏层的目的。式(11)为初始钻柱下入深度的计算公式。在实际施工中还必须对式(11)进行修正,以确保施工结束后井内钻井液柱长度满足式(13),从而使堵漏施工达到设计要求。
二、钻柱实际下入深度的计算
由式(11)可见,rc/rm ·h为由水泥浆密度和井内钻井液密度差引起的钻柱下入深度的变化,该式是在静平衡状态下钻柱下入深度的表达式。在实际堵漏施工中,钻井液静液面将转变为动液面,即在向井内注水泥或顶替过程中,静液面将上升,随着液面上升,液柱压力不断增加。
在不断增加的液柱压力作用下,漏速也不断增加,当漏速等于施工排量时,井内钻井液液面将保持动态稳定状态,此液面称为动液面。由于动液面的存在,为了使施工后井内钻井液柱长度满足式(13),则实际钻柱下入深度应按下式计算:
L=L’-Δh=H-Δh - rc/rm ·h          (14)
Δh=B-b
式中:b——动液面井深,m;B、b均可在堵漏施工前实测求得。
式(14)即为井漏失返条件下水泥浆堵漏施工时计算钻柱下入深度的普遍公式。由上式可知,堵漏施工中钻柱下入深度与井浆和水泥浆密度有关,和设计水泥塞高度有关,与动静液面井深有关。公式中第三项是由水泥浆和钻井液密度差引起的钻具下入深度的变化,取决于水泥浆、钻井液密度值和设计水泥塞;
公式中第二项是由施工时静液面变化而引起的钻具下入深度的变化,它取决于井内钻井液性能和施工排量等参数,它往往是决定能否成塞和堵漏成败的关键因素。
当设计水泥浆密度和设计水泥塞高度确定以后,并在堵漏施工前实测动静液面井深,代入式(14)即可计算出堵漏钻柱的下入深度。堵漏施工结束后,井内液柱自动将水泥浆推入漏层,在井内液柱压力和漏层空隙压力达到平衡时,水泥浆将在设计的水泥塞面井深静止成塞,从而达到有效封堵漏层的目的。
堵漏施工结束后,按操作规程应将钻柱起至套管以内或起出井筒候凝,因此,起出钻柱后应向井内灌入钻井液,以保持井内压力的平衡。
灌入钻井液体积为:
V=1/4π(d12-d22)L        (15)
式中d1 、d2——分别为钻柱外径、内径,m;
L——起出钻柱长度,m。
以上各式中,H为井深。若漏层不在井底,则H为漏层所在井深。
三、堵漏成功的必要条件
采用水泥浆堵漏,若在漏层不能成塞,则必然导致堵漏失败,这已被大量的堵漏实践所证明。但在成塞的情况下不一定能一次堵漏成功,这取决于井眼周围溶洞、裂缝的大小及几何形状、水泥浆量等因素。由式(14)不难得出水泥浆堵漏成功的必要条件是:LくH-Δh           (16)
即钻柱距漏层高度必须大于动静液面差Δh,否则不可能成塞,堵漏必然失败。
四、低密度钻井液中堵漏钻柱下入深度的计算
公式(14)在理论上式普遍适用的。当钻井液密度与水泥浆密度较接近,或钻井液密度大于水泥浆密度时,可直接应用式(14)计算堵漏钻柱的下入深度。但当漏失地层空隙压力较低,井内钻井液密度较低时(如有的地层空隙压力接近静水柱压力),还须对公式(14)进行修正,以期计算出的钻柱下入深度更加符合实际情况。
低密度钻井液中堵漏,首先应按式(14)计算出钻柱的下入深度作为初始钻柱下入深度L’.由于水泥浆和钻井液的密度差,在水泥浆出钻杆进入井筒后,井内的液柱压力将逐渐增加,漏速也将逐渐增大。因为施工排量是一定的,所以随着施工的进行,井内动液面的位置将不断降低。为了使施工结束后井内钻井液柱长度满足式(13),还必须计算出动液面的降低值,从而计算出低密度钻井液中堵漏钻柱的下入深度。
如前所述,施工前测得钻井液动液面井深b,此时漏层承受的动态压力为PDT=9.8 rm(H-b)
当水泥浆出钻杆进入井筒后,井内液柱压力升高,漏速增大,随之钻井液动液面下降。设进入井筒的水泥浆体积为VC,则其在进攻内的高度为:
LC=VC/|1/4πDM2|
式中:DM——井眼直径,m。
由动态压力平衡关系可以求得:
lm=(H-b)- rc/rm LC        (17)
则动液面差:Δl=( rc/rm -1) LC        (18)
式中:lm——堵漏时井内钻井液长
当LC较大时,还必须求出临界水泥浆长度LC  ‘,
使施工后井内钻井液柱长度满足式(13)。
由式(17)和式PDT(13)有:lm=h’
因此       LC  ‘=h+rm/rc(B-b)          (19)
当LCくLC‘由式(18)计算Δl;
LC  ≥LC  ‘,取LC  =LC  ‘,由式(18)计算Δl。
钻柱下如深度由下式计算:
L=H-Δh-rc/rm ·h+Δl          (20)
五、顶替量及顶替排量的计算
采用水泥浆堵漏时,当注完水泥浆应立即顶替钻井液。通常顶替量和顶替排量只是从施工安全的角度来考虑,而忽视了这两个参数对堵漏效果的影响。顶替量和顶替排量也是影响水泥浆堵漏效果的两个重要参数,若控制不当,将直接影响进入漏层水泥浆的堵漏效果和井内水泥塞的质量,以及施工的安全。
根据前面的分析可知,顶替量由下式计算:
V=0.785h’d22                (21)
式中:V——顶替量,
顶替排量由下式确定:QDT=QMAX             (22)
式中QDT——顶替排量,L/S;
QMAX ——钻井泵最大排量,L/S。

声明:本网站发布的内容(图片、视频和文字)以原创、转载和分享网络内容为主,如果涉及侵权请尽快告知,我们将会在第一时间删除。文章观点不代表本网站立场,如需处理请联系客服。电话:158-5106-6698,185-5154-0999。

本站全力支持关于《中华人民共和国广告法》实施的“极限化违禁词”的相关规定,且已竭力规避使用“违禁词”。故即日起凡本网站任意页面含有极限化“违禁词”介绍的文字或图片,一律非本网站主观意愿并即刻失效,不可用于客户任何行为的参考依据。凡访客访问本网站,均表示认同此条款!反馈邮箱:348083717@qq.com。

  • 客服微信

    扫描添加好友

    免费提供:防水堵漏施工方案

  • 扫描二维码

    访问涌达防水堵漏公司手机端

  • 已帮助
    232人
    您的鼓励是作者最大的动力